绝缘子专用橡胶注射成型机
机台特点 1. 此机型专门针对绝缘子产品开发研制,特定排气、挤压、升降、控温程序,大大降低产品废边少、废品率极低 2. 全比例式油路系统 3. 完全无回料逆止设计 4. 全方位电脑控制系统,人机互动智能化操作
订购热线:0532-85259168

机台特点
1.此机型专门针对绝缘子产品开发研制,特定排气、挤压、升降、控温程序,大大降低产品废边少、废品率极低
2.全比例式油路系统
3.完全无回料逆止设计
4.全方位电脑控制系统,人机互动智能化操作
5.高精度光学尺控制射出量,配合三段式射出控制
6.借有日制高科技红外线安全点眼
7.多段式入料气泡消除设计
8.大容量炮筒
应用范围
1.应用于复合绝缘子应用于复合绝缘子、避雷器等类似产品的生产
标配装置
1.高效率比例油路液压系统
2.下出入模装置
3.上机械吊模
4.塑化、注塑独立温控系统
5.西门子控制器
选配装置
1.RT/4RT多层脱模装置
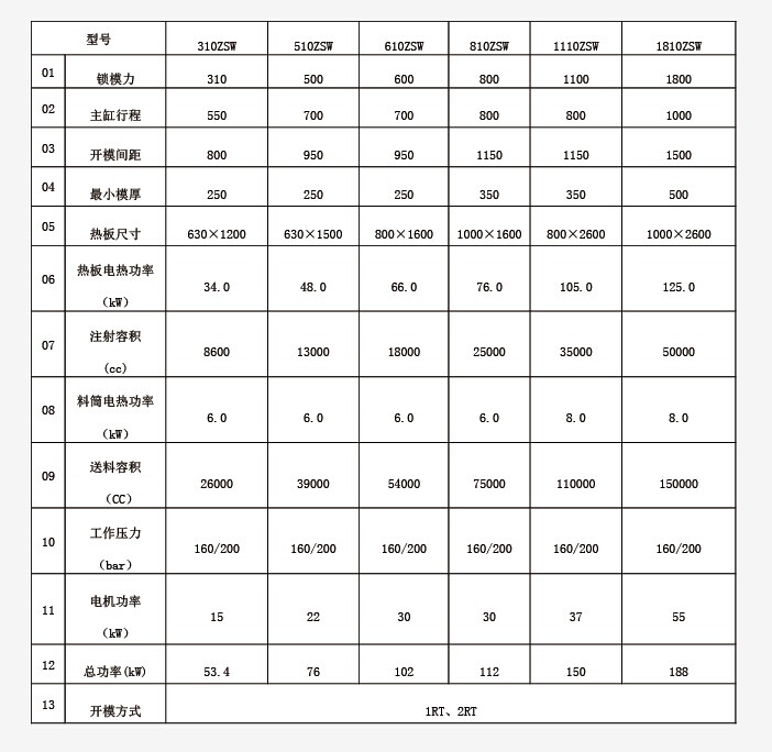
技术参数

相关资讯
- 07-21 学青橡机硫化机生产的橡胶密封圈
- 07-02 再生胶的优缺点及使用注意事项
- 06-30 注射成型机分类
- 06-30 学青橡胶注射成型机特点
- 06-25 学青开炼机简介
- 06-23 开炼机安全操作规程-青岛学青橡
- 06-23 使用平板硫化机注意事项
- 06-16 使用平板硫化机注意事项





